

Підшипник 204 KRD4 (204 KRD4) RBF
Опис
Характеристики
Інформація для замовлення
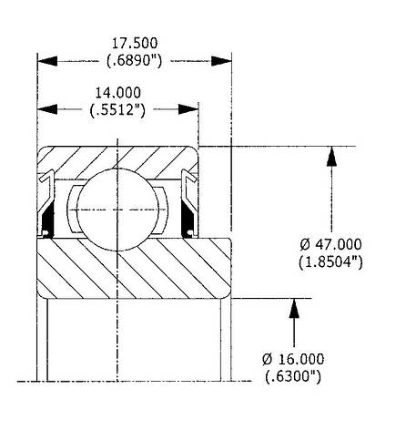
Підшипник з циліндричним зовнішнім кільцем і циліндричної посадкової поверхнею встановлюється на вали круглого перетину. Застосовується в шківах для передачі крутного моменту, в натяжних зірочках ланцюга ґрунтообробної та посівної техніки CASE, John Deere, New Holland та ін ..
| Основні | |
|---|---|
| Країна виробник | Китай |
| Внутрішній діаметр | 16 мм |
| Користувальницькі характеристики | |
| Вага | 0.13 кг |
| Висота | 17.5 |
| Зовнішній діаметр | 47 |
| Поверхня зовнішнього кільця | плоска |
| Система для змащування ЛІВА сторона | не змащувані |
| Тип защиты1 | захисна шайба+гумове ущільнення |
| Форма отвору | кругле |
| Ширина внутрішнього кільця | 17.5 мм |
| Ширина зовнішнього кільця | 14 мм |
| Аналог | 204 KRD4 |
- Ціна: 180,84 ₴

