

Корпус литий F 324 (F324) BEL
У компанії підключені електронні платежі. Тепер ви можете купити будь-який товар не покидаючи сайту.Опис
Характеристики
Інформація для замовлення
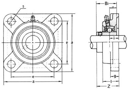
Фланцеве (квадратний) корпус з сірого чавуну з кріпленням на чотири болта. Має внутрішнє, сферичне отвір для установки підшипника.
| Основні | |
|---|---|
| Виробник | BEL |
| Країна виробник | Китай |
| Вага | 28.2 кг |
| Користувальницькі характеристики | |
| Внутрішній діаметр | 260 |
| Міжцентрова відстань для кріплення | 290 мм |
| Ширина корпусу | 370 мм |
| Товщина виробу | 110 мм |
| Діаметр кріпильного отвору | 41 мм |
| Довжина корпусу | 370 мм |
| Аналог | F324 |
- Ціна: 5 357,99 ₴

