

Підшипник ШСП45 (D=70мм) (GE 45 ES) АПП розміри 45*70*32
Опис
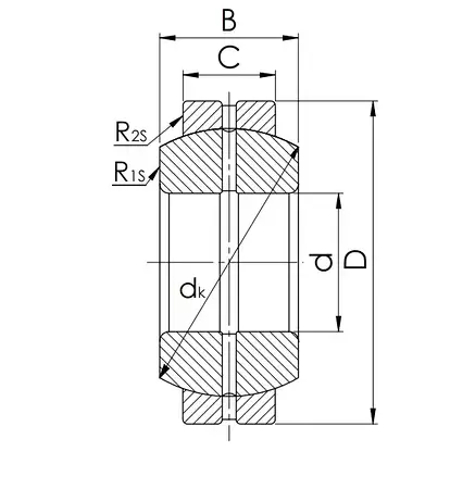
Характеристики
Інформація для замовлення
Шарнирные подшипники предназначенны для восприятия радиальных, осевых и комбинированных нагрузок в подвижных или неподвижных соединениях. Состоит подшипник из двух колец, которые в месте их соприкосновения имеют сферические поверхности. В подвижных соединениях перемещаются оба кольца в подшипнике, на относительно невысокой скорости вращения. Неподвижные соединения - монтажное сочленение, в котором шарнирные подшипники работают при периодических единичных сдвигах одного кольца относительно другого; предназначены в основном для компенсации несоосности вала и корпуса. Подшипники для подвижных соединений могут иметь отверстия и канавки для смазки как в наружном, так и во внутреннем кольце. Подшипник типа ШМ, ШМП, ШМЛ - это подшипники неподвижных соединений, они производятся без отверстий и канавок для дополнительного смазывания. Применяются в сельскохозяйственных машинах, земляной технике, балках балансира тележек, цилиндрах подъема и наклона, толкающих отвалах, шаровых опорах и отвалах рыхлителя бульдозера и пр..
| Основні атрибути | |
|---|---|
| Виробник | АПП |
| Країна виробник | Китай |
| Вага | 0.46 кг |
| Габаритні розміри | |
| Внутрішній діаметр | 45 мм |
| Висота | 32 мм |
| Зовнішній діаметр | 70 мм |
| Користувальницькі характеристики | |
| Ширина внутрішнього кільця | 32 мм |
| Ширина зовнішнього кільця | 25 мм |
| Аналог | GE 45 ES |
- Ціна: 142,99 ₴

